

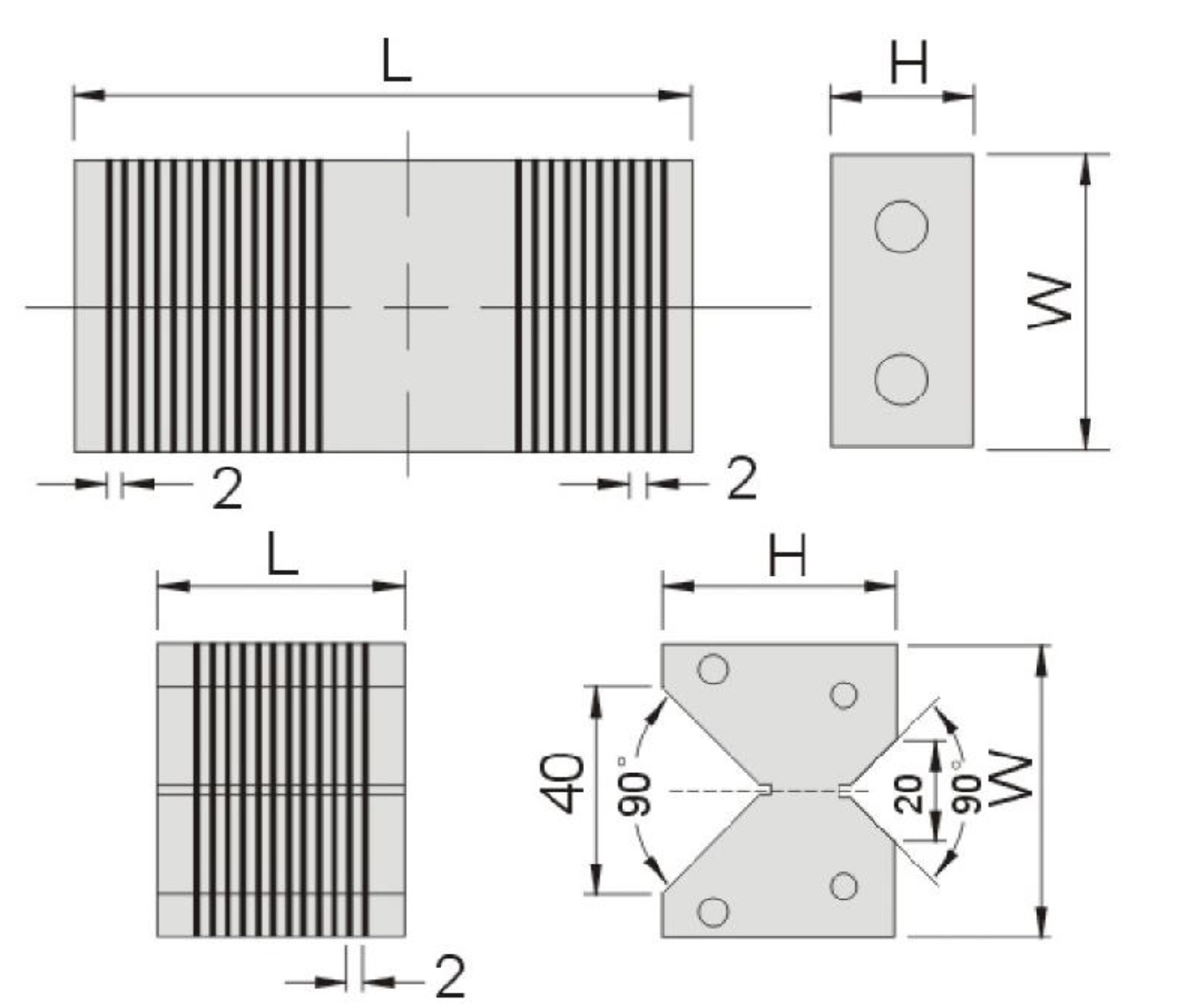
無磁性的導磁塊可使用在任何磁盤上做導磁后即有磁性,做平面或45度的治具之用 。
導磁塊是根據磁性延伸的原理制作的輔助工具。 通過磁盤的吸引和導磁,即産生磁性。 可 使用在圓形工作物、薄板和其它難以吸持的工件形狀。
導磁塊主要分爲兩種:方形導磁塊和M形導磁塊以滿足不同的加工需要 。

| 訂購編號 | 型號 | L x W x Hx PCS | 重量 |
| Order No. | Model | N.W | |
| 5465-10 | GT1 | 100x50x25-2PCS | 2kg |
| 5465-20 | GT2 | 49x58x46-2PCS | 1.7kg |
| 5465-30 | GT3 | 98x58x46-1PCS | 3.4kg |
訂購:導線塊 GT 5465